Описание
    
  
      
      
        
  
    
    Характеристики
    
  
      
      
        
  
    
    
        Отзывы
        
    
    
  
      
      
    
    
    Описание
    
  
        
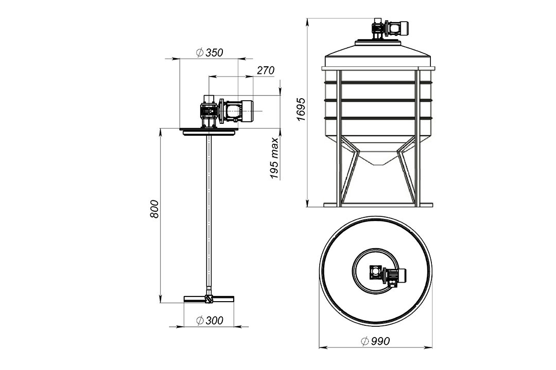
            Тихоходная мешалка для емкости ФМ 500 для перемешивания в системе «жидкость – жидкость»:
Мощность двигателя, кВт - 0,25
Частота вращения вала, об/мин - 93
Длина вала, мм - 800
Диаметр рабочего колеса, мм - 300
Вес, кг - 12,4
 
Технические преимущества тихоходных лопастных мешалок:
1. Высокая прочность: Отсутствие сварных швов и футеровки благодаря цельнолитой конструкции из композита.
2. Малый вес по сравнению с металлическими аналогами.
3. Продолжительный срок службы: Смолы (материал изготовления рабочего колеса и вала) после отверждения, в отличии от
термопластичных материалов таких как полипропилен и фторопласт, не подвержены повторному расплавлению, что является гарантией
отличной механической прочности, термо- и формоустойчивости.
 
Сферы применения емкостей с мешалками:
в химической промышленности для приготовления и поддержания консистенции различных агрессивных растворов;
в водоподготовке и водоочистке для приготовления растворов коагулянтов и флокулянтов;
при обработке питьевой воды для стерилизации, фильтрации, контроля запаха и привкуса;
в системах водоснабжения и канализации для приготовления рабочих растворов и реагентов с целью обработки сточных вод;
в составе реагентных блоков периодического действия для приготовления и дозирования растворов реагентов на очистных сооружениях
предприятий пищевой промышленности, нефтеперерабатывающей отрасли и прочих производственных стоков;
при производстве цемента: мешалки устанавливают на бетоносмесительном узле для приготовления гомогенной смеси и ее добавки в
бетон;
при производстве бумаги для приготовления диоксида титана с целью контроля матовости тонкой бумаги, приготовления каолиновой
смеси.
 
Возможна установка отводов и любой дополнительной арматуры.
Возможно изготовление усиленной емкости под увеличенную плотность жидкости.
 
          
        Мощность двигателя, кВт - 0,25
Частота вращения вала, об/мин - 93
Длина вала, мм - 800
Диаметр рабочего колеса, мм - 300
Вес, кг - 12,4
Технические преимущества тихоходных лопастных мешалок:
1. Высокая прочность: Отсутствие сварных швов и футеровки благодаря цельнолитой конструкции из композита.
2. Малый вес по сравнению с металлическими аналогами.
3. Продолжительный срок службы: Смолы (материал изготовления рабочего колеса и вала) после отверждения, в отличии от
термопластичных материалов таких как полипропилен и фторопласт, не подвержены повторному расплавлению, что является гарантией
отличной механической прочности, термо- и формоустойчивости.
Сферы применения емкостей с мешалками:
в химической промышленности для приготовления и поддержания консистенции различных агрессивных растворов;
в водоподготовке и водоочистке для приготовления растворов коагулянтов и флокулянтов;
при обработке питьевой воды для стерилизации, фильтрации, контроля запаха и привкуса;
в системах водоснабжения и канализации для приготовления рабочих растворов и реагентов с целью обработки сточных вод;
в составе реагентных блоков периодического действия для приготовления и дозирования растворов реагентов на очистных сооружениях
предприятий пищевой промышленности, нефтеперерабатывающей отрасли и прочих производственных стоков;
при производстве цемента: мешалки устанавливают на бетоносмесительном узле для приготовления гомогенной смеси и ее добавки в
бетон;
при производстве бумаги для приготовления диоксида титана с целью контроля матовости тонкой бумаги, приготовления каолиновой
смеси.
Возможна установка отводов и любой дополнительной арматуры.
Возможно изготовление усиленной емкости под увеличенную плотность жидкости.
    
    Характеристики
    
  
        Объём
                    
                    
                      
                        500
                      
                    
                  Цвет
                    
                    
                      
                        белый
                      
                    
                  Форм-фактор
                    
                    
                      
                        конусная
                      
                    
                  Высота
                    
                    
                      
                        169.5
                      
                    
                  Длина
                    
                    
                      
                        99
                      
                    
                  Ширина
                    
                    
                      
                        99
                      
                    
                  Диаметр крышки
                    
                    
                      
                        30
                      
                    
                  Код производителя
                    
                    
                      
                        171.0502.001.1
                      
                    
                  Серия
                    
                    
                      
                        ФМ с лопастной мешалкой
                      
                    
                  Объем транспортный
                    
                    
                      
                        1.6612695
                      
                    
                  Цена с НДС
                    
                    
                      
                        96690
                      
                    
                  Склад в городе
                    
                    
                      
                        Краснодар, Ростов-на-дону
                      
                    
                  Категория Авито
                    
                    
                      
                        Ремонт и строительство
                      
                    
                  Тип товара Авито
                    
                    
                      
                        Сантехника и сауна
                      
                    
                  Параметр: Объем транспортный
                    
                    
                      
                        1.6612695
                      
                    
                  
              Все характеристики
            
            
          
    
    
        Отзывы
        
    
    
  
        Отзывов еще никто не оставлял
                
              
      
                    
                      
                      
                      
                      
                      
                      
                      
                      
                      
                      
                      
                      
                      
                      
                    
                      
                      
                      
                      
                      
                      
                      
                      
                      
                      
                      
                      
                      
                      
                      
                      
                      
                      
                      
                      
                      
                      
                      
                      
                      
                      
                    
                      
                      
                      
                      
                      
                      
                      
                      
                      
                      
                      
                      
                      
                      
                      
                      
                      
                      
                      
                    
                      
                      
                      
                    
                      
                      
                      
                      
                      
                      
                      
                      
                      
                      
                      
                      
                      
                    
                      
                      
                    
                      
                      
                      
                      
                      
                      
                    
                      
                    
                      
                      
                    
                      
                      
                    
                      
                    
                      
                    
                      
                    
                      
                      
                    
                      
                      
                      
                    
                      
                    
                      
                      
                      
                      
                      
                      
                      
                      
                    
                      
                    
                      
                      
                      
                      
                      
                      
                      
                    
                      
                      
                      
                      
                      
                      
                      
                      
                      
                      
                    
                      
                      
                      
                      
                      
                      
                      
                      
                    
                      
                      
                      
                      
                    
                    
                      
                      
                    
                      
                    