Описание
    
  
      
      
        
  
    
    Характеристики
    
  
      
      
        
  
    
    
        Отзывы
        
    
    
  
      
      
    
    
    Описание
    
  
        
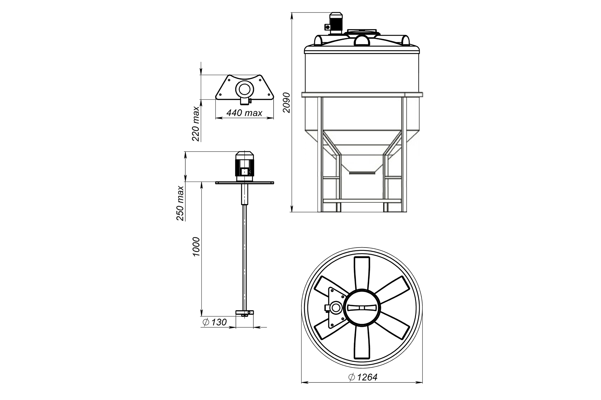
            Быстроходная мешалка для емкости ФМ 1000 литров для перемешивания в системе «жидкость – твердое тело»:
Мощность двигателя, кВт - 0,55
Частота вращения вала, об/мин - 1400
Длина вала, мм -1000
Диаметр рабочего колеса, мм -130
Вес, кг - 14
 
Технические преимущества быстроходных турбинных мешалок:
1. Эффективное перемешивание или растворение: в емкости создается круговое движение жидкости, поднимающее твердые частицы со дна емкости, благодаря специально разработанному рабочему колесу.
2. Коррозийная, химическая и абразивная стойкость: вал и рабочее колесо мешалки изготовлено из композитного материала -
химически стойкого пластика.
3. Продолжительный срок службы двигателя и снижение вибрации в месте установки: круглая форма рабочего колеса создает
постоянный однородный радиальный поток без периодических колебаний, что снижает нагрузку на подшипники и опору двигателя.
4. Безопасность: круглая конструкция рабочего колеса исключает наматывание инородных предметов (лент, тряпок и т.д.) на лопасти мешалки, в случае их попадания внутрь емкости. Таким образом, заклинивание мешалки и выход из строя двигателя исключены.
 
Сферы применения емкостей с мешалками:
в химической промышленности для приготовления и поддержания консистенции различных агрессивных растворов;
в водоподготовке и водоочистке для приготовления растворов коагулянтов и флокулянтов;
при обработке питьевой воды для стерилизации, фильтрации, контроля запаха и привкуса;
в системах водоснабжения и канализации для приготовления рабочих растворов и реагентов с целью обработки сточных вод;
в составе реагентных блоков периодического действия для приготовления и дозирования растворов реагентов на очистных
сооружениях предприятий пищевой промышленности, нефтеперерабатывающей отрасли и прочих производственных стоков;
при производстве цемента: мешалки устанавливают на бетоносмесительном узле для приготовления гомогенной смеси и ее добавки в бетон;
в сельском хозяйстве для приготовления удобрений: для растворения сульфата аммония и смешения его с КАС 32, разбавления КАС 32 водой, смешения КАС с пестицидам, для растворения селитры;
на предприятиях по выращиванию и разведению красной рыбы – атлантического лосося и радужной форели - для растворения соли;
при производстве бумаги для приготовления диоксида титана с целью контроля матовости тонкой бумаги, приготовления каолиновой смеси.
 
Возможна установка отводов и любой дополнительной арматуры.
Возможно изготовление усиленной емкости под увеличенную плотность жидкости.
 
          
        Мощность двигателя, кВт - 0,55
Частота вращения вала, об/мин - 1400
Длина вала, мм -1000
Диаметр рабочего колеса, мм -130
Вес, кг - 14
Технические преимущества быстроходных турбинных мешалок:
1. Эффективное перемешивание или растворение: в емкости создается круговое движение жидкости, поднимающее твердые частицы со дна емкости, благодаря специально разработанному рабочему колесу.
2. Коррозийная, химическая и абразивная стойкость: вал и рабочее колесо мешалки изготовлено из композитного материала -
химически стойкого пластика.
3. Продолжительный срок службы двигателя и снижение вибрации в месте установки: круглая форма рабочего колеса создает
постоянный однородный радиальный поток без периодических колебаний, что снижает нагрузку на подшипники и опору двигателя.
4. Безопасность: круглая конструкция рабочего колеса исключает наматывание инородных предметов (лент, тряпок и т.д.) на лопасти мешалки, в случае их попадания внутрь емкости. Таким образом, заклинивание мешалки и выход из строя двигателя исключены.
Сферы применения емкостей с мешалками:
в химической промышленности для приготовления и поддержания консистенции различных агрессивных растворов;
в водоподготовке и водоочистке для приготовления растворов коагулянтов и флокулянтов;
при обработке питьевой воды для стерилизации, фильтрации, контроля запаха и привкуса;
в системах водоснабжения и канализации для приготовления рабочих растворов и реагентов с целью обработки сточных вод;
в составе реагентных блоков периодического действия для приготовления и дозирования растворов реагентов на очистных
сооружениях предприятий пищевой промышленности, нефтеперерабатывающей отрасли и прочих производственных стоков;
при производстве цемента: мешалки устанавливают на бетоносмесительном узле для приготовления гомогенной смеси и ее добавки в бетон;
в сельском хозяйстве для приготовления удобрений: для растворения сульфата аммония и смешения его с КАС 32, разбавления КАС 32 водой, смешения КАС с пестицидам, для растворения селитры;
на предприятиях по выращиванию и разведению красной рыбы – атлантического лосося и радужной форели - для растворения соли;
при производстве бумаги для приготовления диоксида титана с целью контроля матовости тонкой бумаги, приготовления каолиновой смеси.
Возможна установка отводов и любой дополнительной арматуры.
Возможно изготовление усиленной емкости под увеличенную плотность жидкости.
    
    Характеристики
    
  
        Объём
                    
                    
                      
                        1000
                      
                    
                  Цвет
                    
                    
                      
                        белый
                      
                    
                  Форм-фактор
                    
                    
                      
                        конусная
                      
                    
                  Высота
                    
                    
                      
                        209
                      
                    
                  Длина
                    
                    
                      
                        126.4
                      
                    
                  Ширина
                    
                    
                      
                        126.4
                      
                    
                  Код производителя
                    
                    
                      
                        171.1002.001.2
                      
                    
                  Серия
                    
                    
                      
                        ФМ с турбинной мешалкой
                      
                    
                  Объем транспортный
                    
                    
                      
                        3.33918464
                      
                    
                  Цена с НДС
                    
                    
                      
                        106640
                      
                    
                  Склад в городе
                    
                    
                      
                        Краснодар, Ростов-на-дону
                      
                    
                  Категория Авито
                    
                    
                      
                        Ремонт и строительство
                      
                    
                  Тип товара Авито
                    
                    
                      
                        Сантехника и сауна
                      
                    
                  Параметр: Объем транспортный
                    
                    
                      
                        3.33918464
                      
                    
                  
              Все характеристики
            
            
          
    
    
        Отзывы
        
    
    
  
        Отзывов еще никто не оставлял
                
              
      
                    
                      
                      
                      
                      
                      
                      
                      
                      
                      
                      
                      
                      
                      
                      
                    
                      
                      
                      
                      
                      
                      
                      
                      
                      
                      
                      
                      
                      
                      
                      
                      
                      
                      
                      
                      
                      
                      
                      
                      
                      
                      
                    
                      
                      
                      
                      
                      
                      
                      
                      
                      
                      
                      
                      
                      
                      
                      
                      
                      
                      
                      
                    
                      
                      
                      
                    
                      
                      
                      
                      
                      
                      
                      
                      
                      
                      
                      
                      
                      
                    
                      
                      
                    
                      
                      
                      
                      
                      
                      
                    
                      
                    
                      
                      
                    
                      
                      
                    
                      
                    
                      
                    
                      
                    
                      
                      
                    
                      
                      
                      
                    
                      
                    
                      
                      
                      
                      
                      
                      
                      
                      
                    
                      
                    
                      
                      
                      
                      
                      
                      
                      
                    
                      
                      
                      
                      
                      
                      
                      
                      
                      
                      
                    
                      
                      
                      
                      
                      
                      
                      
                      
                    
                      
                      
                      
                      
                    
                    
                      
                      
                    
                      
                    